FAKRA彎頭天線臥式白色公針插板穿孔式長體
料號:1.23
標簽:RF連接器,接PCB板,FAKRA公頭,90度,穿孔,插板
產品特征:
產品規格
| 產品規格 | |
| 頻率范圍 | DC-6GHz |
| 絕緣阻抗 | ≧?500MΩ |
| 額定電壓 | 60V?AC(rms) |
| 額定電流 | 0.5A?AC |
| 耐電壓 | 200V?AC |
| 工作溫度 | -40°C?to?+90°C |
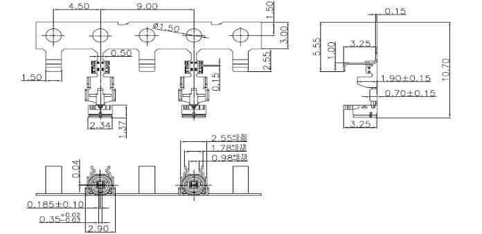
產品圖紙

包裝與運輸
| 發貨地 | 廣東省東莞 |
| 付款方式 | 銀行匯款 |
| 常規交貨期 | 7-10天 |
| 運輸方式 | 快遞/物流 |
| 包裝方式 | 吸塑盒+紙箱/?PE袋+紙箱 |
| 箱規 | 39.5*24.5*19.5cm 49.5*24.5*19.5cm 47*41*21cm 34*34*30cm |







